Page top

Industrial Automation

Industrial Automation

EE-SX77 / SX87

Photomicrosensor with Slim Cable (Non-modulated)

EE-SX77 / SX87

Slim, Compact Photomicrosensor that is still easy to use. Conforms to ISO13849-1 (PLc, cat1), September 2023.

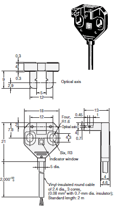
(Unit: mm)

Tolerance class IT16 applies to dimensions in this datasheet unless otherwise specified.

Standard
EE-SX770/770P
EE-SX870/870P
EE-SX770A/770R
EE-SX870A/870R

EE-SX77 / SX87 Dimensions 2

L-shaped
EE-SX771/771P
EE-SX871/871P
EE-SX771A/771R
EE-SX871A/871R

EE-SX77 / SX87 Dimensions 3

T-shaped
EE-SX772/772P
EE-SX872/872P
EE-SX772A/772R
EE-SX872A/872R

EE-SX77 / SX87 Dimensions 4